Менеджер: Полосова Ирина
Телефон: +7 (343) 224-50-00, доб.203
E-mail: 2600400@mail.ru
Цены на сайте указаны оптовые. Розничную цену (при оплате картой) и наличие товара уточняйте у менеджера.
Центробежный герметичный экранированный трансформаторный электронасос марки ТЭ предназначен для обеспечения циркуляции трансформаторного масла в системах охлаждения силовых трансформаторов стационарных установок.
Электронасос рассчитан на длительную эксплуатацию с температурой трансформаторного масла до 80°С и кратковременно (2 ч) до 95°С.
Электронасос выпускается в климатическом исполнении У1 ГОСТ 15150-69.
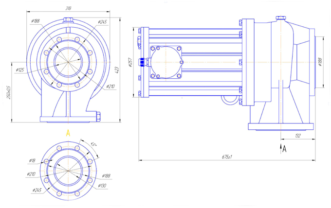
| Наименование | Подача, м3/ч | Напор, м | Габаритные размеры, мм | Масса, кг | Цена, руб. с НДС | Кол-во | ||
|---|---|---|---|---|---|---|---|---|
![]() | Электронасос ТЭ 100-15 | 100 | 15 | 675x500x423 | 130 | 0,00 |
В условном обозначении, на примере электронасоса ТЭ 100/15 У1, цифры и буквы обозначают:
Т - трансформаторный;
Э - экранированный;
100 - подача, м3/ч;
15 - напор, м;
У1 - вид климатического исполнения.
Технические характеристики
Номинальная подача | 100 м³/ч |
Напор при номинальной подаче | 15м |
Частота вращения | 3000 об/мин |
Допускаемый кавитационный запас | 5 |
КПД | 40% |
Напряжение | 220/380 |
Соединение фаз | треугольник/звезда |
Ток при номинальной подаче | 220В-22,6А/380В-13,8A |
Номинальная мощность двигателя | 11 кВт |
Класс нагревостойкости | F |
Кратность пускового тока | 7,3 |
R изол. статора относительно корпуса(холод/раб) | 3,2/1,0 Moм |
Масса не более, кг | 130 |
Габаритный чертеж ТЭ 100-15



